
HOB:HOB+FB TYPE | 方型重型油壓缸FB板尺寸圖 14Mpa Hydraulic Cylinders FB Dimensional Features |
![]() | |
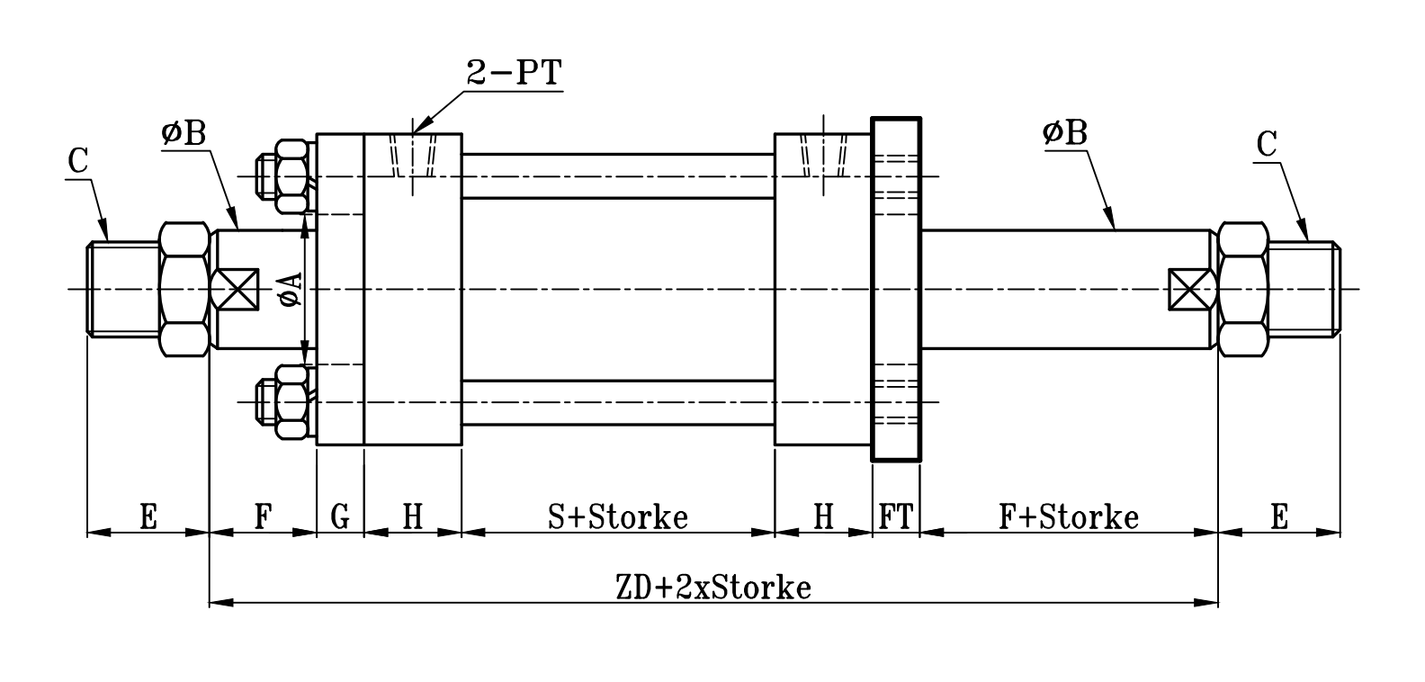
HOD:HOD+FB TYPE

| HOB-HOD TYPE | FB TYPE | |||||||||||||||||||
| 缸徑 BORE | ΦA(chǔ) | ΦB | C | E | F | G | H | N | P | P1 | PT | S | ZB | ZD | ΦFD | FT | FR | FX | FY | FZ |
| Φ32 | 31 | 18 | M16xP1.5 | 30 | 15 | 14 | 28 | 25 | 71 | 10.5 | 1/4" | 50 | 146 | 164 | 12 | 14 | 80 | 35 | 100 | 55 |
| Φ40 | 38 | 25 | M22xP1.5 | 35 | 20 | 14 | 28 | 25 | 71 | 10.5 | 3/8" | 50 | 151 | 174 | 12 | 14 | 93 | 50 | 115 | 70 |
| Φ50 | 44 | 30 | M26xP1.5 | 40 | 20 | 16 | 33 | 28 | 80 | 12.5 | 3/8" | 55 | 168 | 193 | 14 | 16 | 110 | 56 | 135 | 85 |
| Φ63 | 49 | 35 | M30xP1.5 | 40 | 20 | 16 | 33 | 28 | 80 | 12.5 | 3/8" | 55 | 168 | 193 | 16 | 16 | 126 | 68 | 155 | 95 |
| Φ80 | 54 | 40 | M30xP1.5 M36xP1.5 可選 | 45 | 25 | 18 | 38 | 33 | 91 | 15.5 | 1/2" | 60 | 192 | 222 | 18 | 18 | 152 | 75 | 190 | 120 |
| Φ100 | 64 | 50 | M40xP2.0 | 50 | 25 | 20 | 38 | 33 | 111 | 15.5 | 1/2" | 80 | 216 | 246 | 20 | 20 | 180 | 100 | 220 | 140 |
| Φ125 | 74 | 60 | M50xP2.0 | 60 | 30 | 24 | 43 | 38 | 116 | 18 | 3/4" | 80 | 239 | 274 | 24 | 24 | 222 | 122 | 270 | 170 |
| Φ150 | 97 | 80 | M70xP2.0 | 80 | 30 | 29 | 48 | 43 | 130 | 20 | 3/4" | 90 | 269 | 304 | 29 | 29 | 260 | 155 | 315 | 210 |
| Φ160 | 97 | 80 | M70xP2.0 | 80 | 30 | 29 | 48 | 43 | 130 | 20 | 3/4" | 90 | 269 | 304 | 29 | 29 | 270 | 165 | 325 | 220 |
| Φ180 | 117 | 100 | M90xP2.0 | 100 | 35 | 34 | 58 | 48 | 146 | 23 | 1" | 100 | 309 | 354 | 32 | 34 | 315 | 188 | 375 | 250 |
| Φ200 | 117 | 100 | M90xP2.0 | 100 | 35 | 39 | 58 | 53 | 146 | 23 | 1" | 100 | 324 | 364 | 35 | 39 | 355 | 207 | 425 | 275 |
| Φ220 | 150 | 125 | M100xP3.0 | 110 | 35 | 44 | 68 | 58 | 166 | 28 | 1 1/4" | 110 | 359 | 404 | 38 | 44 | 375 | 225 | 450 | 300 |
| Φ250 | 150 | 125 | M100xP3.0 | 110 | 35 | 49 | 68 | 63 | 166 | 28 | 1 1/4" | 110 | 374 | 414 | 41 | 49 | 410 | 250 | 490 | 330 |
訂購:h0-fb