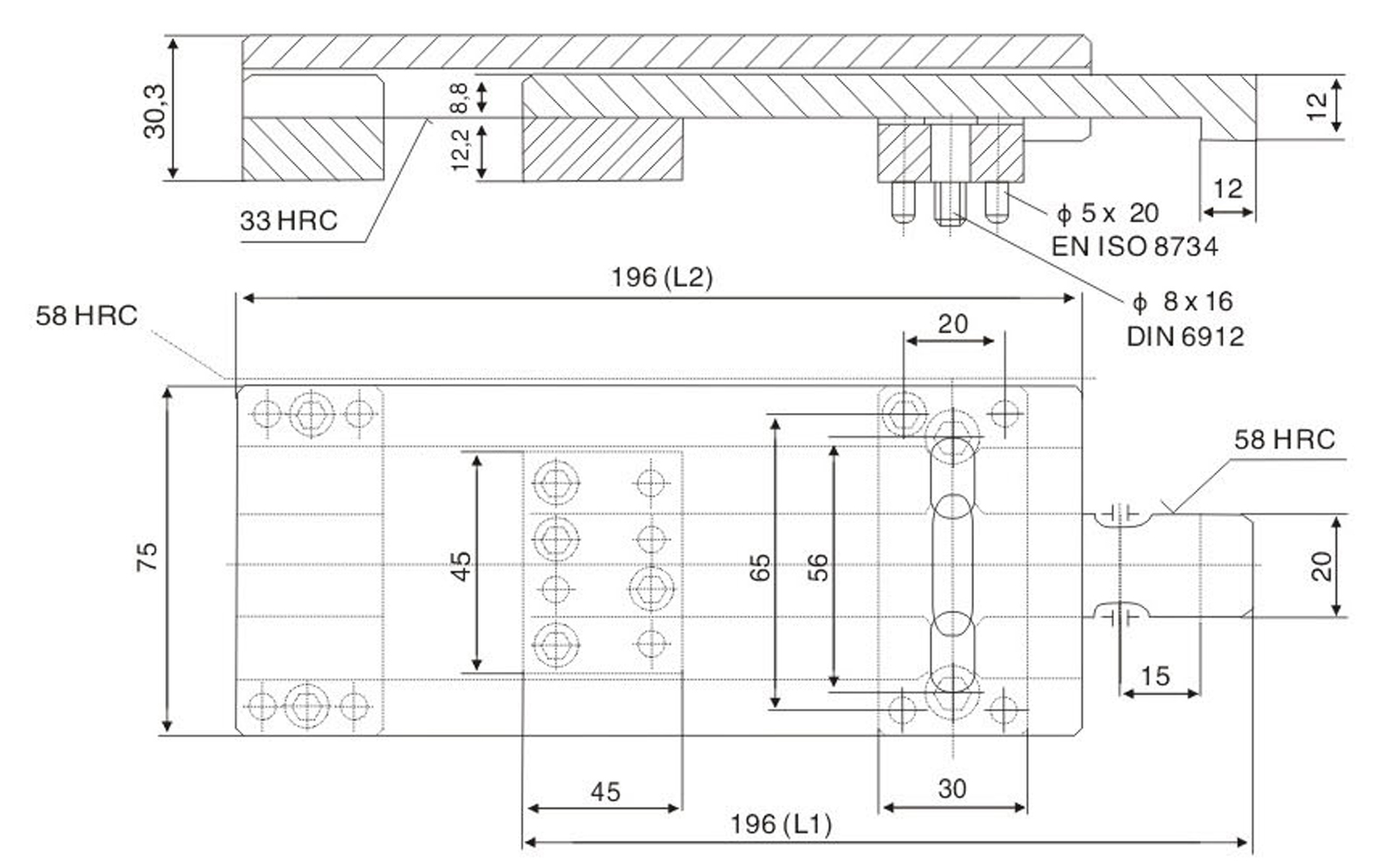
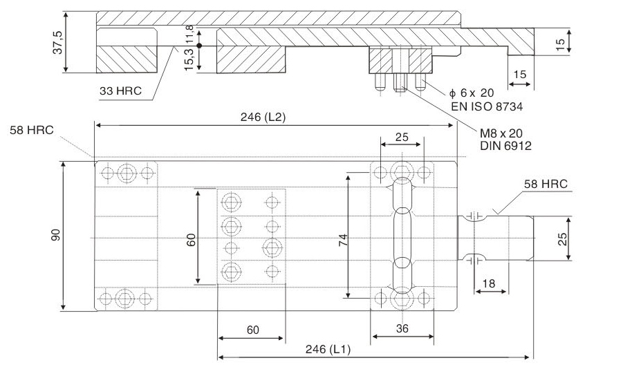
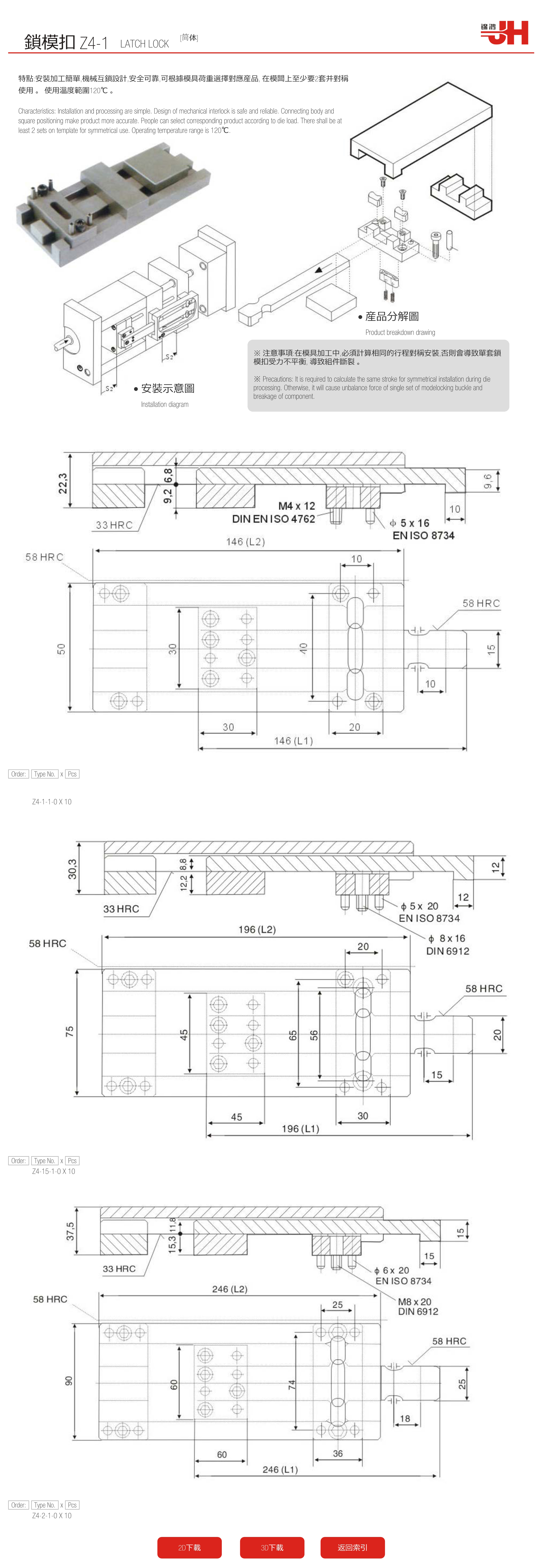
※ 注意事項(xiàng):在模具加工中,必須計(jì)算相同的行程對稱安裝,否則會導(dǎo)致單套鎖??凼芰Σ黄胶? 導(dǎo)致組件斷裂 。
※ Precautions: lt is required to calculate the same stroke for symmetrical installation during die processing. Otherwise, it will cause unbalance force of single set of modelocking buckle and breakage of component.












